GIA CÔNG BÁNH RĂNG THEO BẢN VẼ CHÍNH XÁC CAO - CHÌA KHÓA NÂNG CẤP HỆ THỐNG TRUYỀN ĐỘNG
Gia công bánh răng theo bản vẽ là một trong những dịch vụ cơ khí chính xác và quan trọng nhất, quyết định trực tiếp đến hiệu suất, tuổi thọ, và sự ổn định của mọi hệ thống truyền động trong công nghiệp. Tại CÔNG TY TNHH CƠ KHÍ NAM DŨNG, chúng tôi không chỉ đơn thuần là sản xuất; chúng tôi kiến tạo giải pháp cơ khí hoàn hảo từ bản vẽ kỹ thuật chi tiết nhất. Việc tuân thủ nghiêm ngặt các tiêu chuẩn quốc tế và sự đầu tư vào công nghệ hiện đại đã giúp Nam Dũng trở thành đối tác tin cậy hàng đầu trong lĩnh vực này.
Sự Cần Thiết Của Việc Gia Công Bánh Răng Chính Xác
Trong mọi ngành công nghiệp, từ ô tô, hàng hải, máy móc công trình đến các thiết bị tự động hóa tinh vi, bánh răng là "trái tim" của sự chuyển động. Sai sót nhỏ trong quá trình gia công bánh răng theo bản vẽ có thể dẫn đến tiếng ồn, rung lắc, giảm hiệu suất truyền lực, và nghiêm trọng hơn là hỏng hóc toàn bộ hệ thống. Do đó, yêu cầu về độ chính xác (dung sai, độ nhẵn bề mặt, độ cứng vật liệu) luôn được đặt lên hàng đầu.

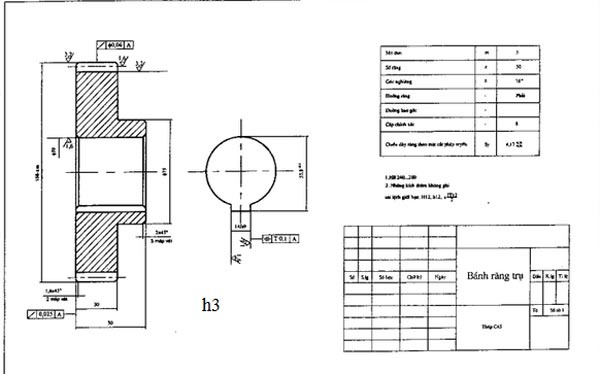
1. Quy Trình Gia Công Bánh Răng Theo Bản Vẽ Tại Cơ Khí Nam Dũng
Quy trình gia công tại Nam Dũng được chuẩn hóa qua các bước chặt chẽ nhằm đảm bảo chất lượng đầu ra tối ưu nhất, phục vụ cho nhu cầu đa dạng từ gia công vành bánh răng cho đến các chi tiết phức tạp.
Bước 1: Phân Tích Bản Vẽ và Lựa Chọn Vật Liệu (Gia công bánh răng đồng, nhựa, thép)
-
Phân tích chuyên sâu: Đội ngũ kỹ sư tiến hành đánh giá chi tiết bản vẽ kỹ thuật (độ module, số răng, góc nghiêng, tiêu chuẩn cấp chính xác) để xác định phương án gia công tối ưu.
-
Tư vấn Vật liệu: Dựa trên môi trường làm việc và yêu cầu tải trọng, chúng tôi tư vấn vật liệu phù hợp, ví dụ: sử dụng vật liệu đồng thau, đồng đỏ để gia công vành bánh răng đồng (vành răng đồng) yêu cầu khả năng chống mài mòn và tự bôi trơn cao, hoặc sử dụng nhựa kỹ thuật (POM, Nylon) cho các ứng dụng giảm tiếng ồn.
Bước 2: Chuẩn Bị Phôi và Gia Công Thô
Phôi được cắt, tiện, và phay thô để đạt hình dạng gần đúng, loại bỏ tối đa vật liệu thừa trước khi chuyển sang các bước gia công tinh.
Bước 3: Gia Công Tinh (Phay Lăn, Phay Định Hình)
Đây là giai đoạn quan trọng nhất, quyết định độ chính xác của profile răng. Tùy thuộc vào yêu cầu của bản vẽ, chúng tôi áp dụng các phương pháp:
-
Phay lăn (Hobbing): Phương pháp phổ biến và hiệu quả để gia công bánh răng nghiêng và bánh răng trụ.
-
Chuốt: Dùng cho các bánh răng có lỗ then hoặc yêu cầu độ chính xác rất cao.

Bước 4: Nhiệt Luyện và Gia Công Hoàn Thiện (Gia công bánh răng)
Sau khi gia công răng, chi tiết thường được nhiệt luyện (tôi, ram, thấm carbon) để đạt độ cứng bề mặt cần thiết. Sau đó là các công đoạn hoàn thiện như mài răng để nâng cao cấp chính xác và độ nhẵn bề mặt.
Bước 5: Kiểm Tra Chất Lượng
Mọi sản phẩm đều được kiểm tra 100% bằng máy đo chuyên dụng (ví dụ: máy đo profile bánh răng) để đảm bảo đáp ứng đúng cấp chính xác theo yêu cầu bản vẽ.
2. Các Loại Bánh Răng Và Vật Liệu Nam Dũng Thường Gia Công
Khả năng đáp ứng đa dạng là một lợi thế lớn của Nam Dũng, giúp khách hàng tìm thấy giải pháp toàn diện cho nhu cầu gia công bánh răng của mình.
Phân Loại Theo Hình Dạng và Ứng Dụng
-
Bánh Răng Trụ Thẳng & Nghiêng: Loại phổ biến nhất, dùng cho các trục song song. Việc gia công bánh răng nghiêng đòi hỏi sự chính xác cao hơn về góc nghiêng.
-
Bánh Răng Thanh Răng: Dùng để biến đổi chuyển động quay thành chuyển động tịnh tiến.
-
Bánh Vít - Trục Vít: Thường dùng để đạt tỷ số truyền lớn trong không gian nhỏ.
Gia Công Bánh Răng Theo Vật Liệu
-
Gia công bánh răng đồng: Thường là bánh vít hoặc vành răng đồng trong các hộp giảm tốc yêu cầu tải nhẹ đến trung bình và chống ma sát tốt.
-
Gia công bánh răng nhựa: Ứng dụng trong các thiết bị y tế, thực phẩm, hoặc nơi yêu cầu độ nhẹ và giảm tiếng ồn tối đa.
-
Gia công bằng Thép Hợp Kim: (ví dụ: SCM440, S45C) Chiếm phần lớn các đơn hàng, dùng cho tải trọng lớn và cần độ bền cao.

3. Ưu Điểm Dịch Vụ Gia Công Bánh Răng Tại CÔNG TY TNHH CƠ KHÍ NAM DŨNG
Tại sao khách hàng nên chọn Nam Dũng cho dịch vụ gia công bánh răng theo bản vẽ?
Công Nghệ Hiện Đại và Đội Ngũ Kỹ Sư Giàu Kinh Nghiệm
Chúng tôi đầu tư vào hệ thống máy phay lăn CNC, máy tiện CNC hiện đại, đảm bảo khả năng gia công hàng loạt với độ ổn định cao. Kỹ sư của Nam Dũng có kinh nghiệm chuyên sâu trong việc xử lý các bản vẽ phức tạp và tư vấn giải pháp kỹ thuật tối ưu.
Cam Kết Về Chất Lượng và Thời Gian Giao Hàng
Chất lượng là yếu tố cốt lõi. Mọi sản phẩm đều được bảo hành, và quy trình quản lý sản xuất tinh gọn giúp chúng tôi tối ưu hóa thời gian, đảm bảo giao hàng đúng tiến độ đã cam kết.
4. Liên Hệ Gia Công Bánh Răng Theo Bản Vẽ
Quý khách hàng đang tìm kiếm một đối tác tin cậy để gia công bánh răng theo bản vẽ với chất lượng cao nhất, vui lòng liên hệ với CÔNG TY TNHH CƠ KHÍ NAM DŨNG. Chúng tôi luôn sẵn sàng hỗ trợ tư vấn và báo giá chi tiết.
CÔNG TY TNHH CƠ KHÍ NAM DŨNG
-
Địa chỉ: Lầu 1, Số 456 Xô Viết Nghệ Tĩnh, Phường Thạnh Mỹ Tây, Thành phố Hồ Chí Minh, Việt Nam
-
Liên hệ: 0902.170.441 - 0902.815.139
-
Email: cokhinamdung1@gmail.com
-
Website: https://cokhinamdung.vn/
